Областная олимпиада по физике 2011, 9 класс, теоретический тур
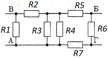
В цепи, изображенной на рис.1, все резисторы имеют одно и то же сопротивление. Во сколько раз изменится сопротивление цепи, измеряемое между точками $\text{А}$ и $\text{Б}$, если замкнуть проводником точки $\text{В}$ и $\text{Г}$? (7 баллов)
посмотреть в олимпиаде

Комментарий/решение:

По условию, $R_1=R_2=R_3=R_4=R_5=R_6=R_7=R$. Найдём сопротивление в исходной схеме между точками $A$ и $Б$. Резисторы $R_1,R_2-$ соединены последовательно. Резисторы $R_3,R_4$ и батарея из резисторов $R_1,R_2-$ соединены параллельно.
$$R_{АБ}=\dfrac{(R_7+R_6)(R_5+\dfrac{1}{R_4^{-1}+R_3^{-1}+(R_1+R_2)^{-1}}}{R_7+R_6+R_5+\dfrac{1}{R_4^{-1}+R_3^{-1}+(R_1+R_2)^{-1}}}$$
$$R_{АБ}=\dfrac{(R+R)(R+\dfrac{1}{R^{-1}+R^{-1}+(2R)^{-1}}}{R+R+R+\dfrac{1}{R^{-1}+R^{-1}+(2R)^{-1}}}=0,8235\cdot R$$ Теперь замкнём проводником точки В и Г
$$R_{АБ}=0,750\cdot R$$
Возможно, что при неправильном наборе формул, они будут
доредактированы модератором. При этом содержание не будет меняться.