2-я олимпиада им. Шалтая Смагулова, 7 класс, 1 тур, 2017 г.
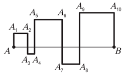
Отрезок $AB$ пересечен ломаной линией, как показано на рисунке. При этом получилось 5 квадратов. Чему равна длина ломаной $A{{A}_{1}}{{A}_{2}}\ldots {{A}_{10}}B$, если длина $AB$ равна 10 см?
посмотреть в олимпиаде

Комментарий/решение:
Как мы знаем АВ это 10см мы знаем в квадрате все стороны равны нам нужно найти длину как мы видим в квадрате мы считаем 3 стороны из 4 это означает первый квадрат 3х второй 3у третий 3z четвертый 4а и пятый 3b как видим x+y+z+a+b равно 10 значит 3x+3y+3z+3a+3b=10*3 =>30 значит ответ 30
Возможно, что при неправильном наборе формул, они будут
доредактированы модератором. При этом содержание не будет меняться.