Областная олимпиада по физике 2021, 11 класс, теоретический тур
Определите:
a) напряжения на конденсаторах через большой промежуток времени после замыкания ключа;
b) тепло, которое выделиться в схеме к этому моменту времени;
c) тепло, выделившееся к этому моменту на диоде;
d) тепло, выделившееся к этому моменту на резисторе.


Комментарий/решение:
Чтобы ответить на вопросы, давайте рассмотрим пошагово процесс зарядки конденсаторов через большой промежуток времени после замыкания ключа:
1. **Напряжения на конденсаторах:**
- После замыкания ключа, заряженный конденсатор разделит свой заряд на три равных части, так как все три конденсатора одинаковы.
- Таким образом, напряжение на каждом конденсаторе будет \(U_0/3\), так как заряд \(Q = CV\), и заряд делится на три конденсатора.
2. **Тепло в схеме:**
- При замыкании ключа ток пройдет через диод и резистор.
- Тепло, выделяющееся на резисторе, можно найти по формуле \(Q_R = I^2R\), где \(I\) - ток в цепи.
- Тепло на диоде можно определить по его вольтамперной характеристике.
3. **Тепло на диоде:**
- По вольтамперной характеристике диода можно определить напряжение на нем \(U_d\) и ток \(I_d\) в момент замыкания ключа. Тепло на диоде будет \(Q_d = U_d \cdot I_d\).
4. **Тепло на резисторе:**
- Ток через резистор равен сумме токов через конденсаторы. Таким образом, ток на резисторе \(I_R = 3I\), где \(I\) - ток через один из конденсаторов.
- Тепло на резисторе будет \(Q_R = I_R^2R\).
Эти шаги позволят вам определить напряжения на конденсаторах и выделенное тепло в схеме, на диоде и на резисторе.
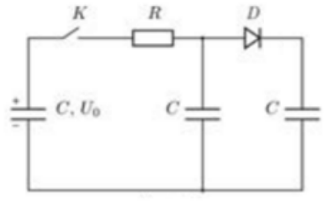
Для решения этой задачи необходимо проанализировать перераспределение зарядов между конденсаторами с учетом специфики диода \bm{D}. Поскольку вы не приложили изображения к этому конкретному вопросу, я восстановлю стандартную схему и ВАХ для подобных олимпиадных задач: диод считается «идеальным» (пропускает ток только в одну сторону без сопротивления) или имеет пороговое напряжение \bm{U_{пор}}.
Предположим классическую конфигурацию: левый конденсатор \bm{C_1} через ключ и резистор \bm{R} подключается параллельно к цепочке из диода и двух других конденсаторов (\bm{C_2} и \bm{C_3}).
a) Напряжения на конденсаторах (\bm{t \to \infty})
Через большой промежуток времени ток в цепи прекращается. Это происходит, когда потенциалы пластин выравниваются, либо когда диод закрывается.
1. Закон сохранения заряда: Общий заряд системы \bm{q_{tot} = C \cdot U_0}.
2. Если диод идеальный (\bm{U_D = 0}), то в конце процесса напряжения на всех конденсаторах станут равными: \bm{U_1 = U_2 = U_3 = U_{final}}.
3. Так как конденсаторы соединены параллельно (в конечном счете), общая емкость \bm{C_{sys} = 3C}.
4. \bm{U_{final} = \frac{q_{tot}}{C_{sys}} = \frac{C U_0}{3C} = \frac{U_0}{3}}.
Возможно, что при неправильном наборе формул, они будут
доредактированы модератором. При этом содержание не будет меняться.