Областная олимпиада по физике 2013, 10 класс, теоретический тур
Задача №1. 1. Ракета массы $m_0=1$ т с поперечным сечением $S=5$ м$^2$ летела с выключенным двигателем и попала в облако пыли. Масса каждой пылинки $m_1=10^{-6}$ кг, их концентрация $n=10^{-4}$ м$^{-3}$, а соударения с ракетой абсолютно неупругие. Какова ширина облако $l$, если после пролета через него ракета потеряла $1\%$ скорости? (8 баллов)
комментарий/решение
комментарий/решение
Задача №2. При изотермическом сжатии газа массой $m=2$ кг, находящегося при температуре $t=27^{\circ}$ С под давлением $p_1=5\cdot 10^5$ Па, давление газа увеличивается в $3$ раза. Работа сжатия $A=1,4\cdot 10^3$ кДж. Какой газ подвергался изотермическому сжатию и каков его первоначальный объем? (7 баллов)
комментарий/решение(1)
комментарий/решение(1)
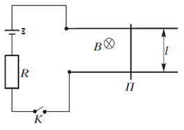
Задача №3. На двух длинных, гладких, параллельных, горизонтальных и проводящих штангах лежит проводящая перемычка $\Pi$ массой $M$ (рисунок 1). Расстояние между штангами $l$. Через резистор сопротивлением $R$ и разомкнутый ключ $K$ к штангам подключена батарея с постоянной ЭДС. Штанги расположены в области однородного магнитного поля с индукцией, равной $B$ и направленной от нас перпендикулярно плоскости рисунка. После замыкания ключа в установившемся режиме перемычка достигает скорости $\vartheta_0$. Пренебрегая внутренним сопротивлением батареи и сопротивлением штанг и перемычки, определите ускорение перемычки сразу после замыкания ключа. (9 баллов)
комментарий/решение

комментарий/решение
Задача №4. Сила тока, характеризующая поток электронов в электронно-лучевой трубке $I=400$ мкА, ускоряющее напряжение $U=10$ кВ, отношение заряда к массе электрона $\gamma=1,7\cdot 10^{11}$ Кл/кг. Найдите силу давления электронного луча на экран трубки, полагая, что все электроны поглощаются экраном. (6 баллов)
комментарий/решение
комментарий/решение