Областная олимпиада по физике 2015, 11 класс, теоретический тур
Задача №1. Гибкий однородный жгут $AB$ (показан на рисунке жирней линией) положен на гладкую трубу с круглым сечением, перпендикулярно трубе. Жгут придерживают за левый конец $A$ в положении, задаваемым углом $\alpha=15^{\circ}$ (линия $BD$ — диаметр трубы). Затем конец $A$ отпускают, и шнур начинает скользить по трубе. Найдите ускорение правого конца шнура $(B)$ в момент, когда левый конец $(A)$ достигнет вершины трубы $(C)$. Ускорение свободного падения принять равным $10$ м/с$^2$. (8 баллов)
комментарий/решение

комментарий/решение
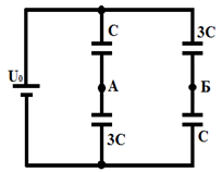
Задача №2. К «мостику» из конденсаторов (см. рисунок) подключили батарейку напряжением $U_0$, затем ее отключили, а между точками $\text{А}$ и $\text{Б}$ включили катушку индуктивностью $L$. Найдите максимальный ток через катушку. Найдите также полный заряд, протекший через катушку, и выделившееся в ней количество теплоты. Сопротивление соединительных проводов очень мало, сопротивление провода, которым намотана катушка, считать небольшим. (9 баллов)
комментарий/решение

комментарий/решение
Задача №3. Проводник сечение, которого $0,64$ мм$^2$ изготовлен из железа. По нему течет ток $24$ A. Определить среднюю скорость направленного движения электронов, считая, что число свободных электронов $n_{0}$ в единице объема равно числу атомов $n_{0}'$ в единице объема проводника. Плотность железа $7,8$ г/см$^3$, молярная масса железа $56$ г/моль, заряд электрона равен $e=1,6\cdot 10^{-19}$ Кл, число Авогадро $6,02\cdot 10^{23}$ моль$^{-1}$. (7 баллов)
комментарий/решение(1)
комментарий/решение(1)
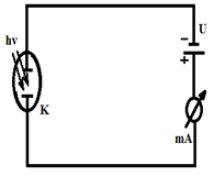
Задача №4. На рисунке показана схема эксперимента, где измеряют постоянную Планка. В этом эксперименте катод $\text{К}$ вакуумного фотоэлемента освещается монохроматическим светом. При длине волны излучения $6200$ $\acute{A}$ ($1 \acute{A}=10^{-10}$ м) ток фотоэлектронов прекращается, если между катодом и анодом включить задерживающее напряжение $U$, не меньшее определенной величины. При увеличении длины волны на $25\%$ задерживающее напряжение оказалось на $\Delta U=0,4$ В меньше. Определите по этим данным величину постоянной Планка. Скорость света в вакууме $c=3\cdot 10^8$ м/с, заряд электрона $e=1,6\cdot 10^{-19}$ Кл. (6 баллов)
комментарий/решение

комментарий/решение