Областная олимпиада по физике 2016, 11 класс, теоретический тур
Задача №1. При совершении затяжного прыжка, парашютист до раскрытия парашюта летит со скоростью 60 м/с, а после раскрытия — приземляется со скоростью 6 м/с. Масса парашютиста 80 кг, массы строп и парашюта пренебрежимо малы, а сила сопротивления воздуха прямо пропорционально квадрату скорости падения. Ускорение свободного падения принять равным 10 м/с$^2$. Найдите:
а) максимальное натяжение строп парашюта, в случае его мгновенного раскрытия;
б) реальное натяжение строп, если время раскрытия парашюта 1 с, и в течение этого времени натяжение постоянно. (8 баллов)
комментарий/решение
а) максимальное натяжение строп парашюта, в случае его мгновенного раскрытия;
б) реальное натяжение строп, если время раскрытия парашюта 1 с, и в течение этого времени натяжение постоянно. (8 баллов)
комментарий/решение
Задача №2. Определите давление $p$ внутри однородного шара массой $m$ и радиуса $R$, обусловленное гравитационными силами, как функцию расстояния $r$ от его центра. Оценить давление в центре Земли, считая Землю однородным шаром. Гравитационная постоянная $6,67\cdot 10^{-11}$ м$^3$/(кг$\cdot$с$^2$), масса Земли равна $5,98\cdot 10^{24}$ кг, а радиус Земли равен $R=6400$ км. (7 баллов)
комментарий/решение
комментарий/решение
Задача №3. Для отопления комнаты используется горелка, при этом в комнате устанавливается температура $t_1=17^{\circ}$ С, в то время как на улице температура $t_0= 7^{\circ}$ С. Для отопления комнаты предлагается использовать идеальный тепловой насос, работающий по обратному циклу Карно и приводимый в движение двигателем, КПД которого равен $\eta=60\%$. Считая, что теплообмен между комнатой и улицей пропорционален разности температур и двигатель потребляет то же количество топлива, что и горелка, вычислить установившуюся температуру в комнате, если:
а) двигатель расположен вне комнаты;
б) двигатель расположен внутри комнаты. (7 баллов)
комментарий/решение
а) двигатель расположен вне комнаты;
б) двигатель расположен внутри комнаты. (7 баллов)
комментарий/решение
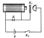
Задача №4. Электромагнитное реле через ключ $K_1$ подключено к батарее, $\text{ЭДС}$ которой равна $\varepsilon$. Ключ $K_1$ нормально замкнут и размыкается при срабатывании реле (см.рисунок). Омическое сопротивление обмотки реле 50 Ом, индуктивность обмотки 0,5 Гн. Когда сила тока достигает значения $\frac{2}{3} \frac{\varepsilon}{R}$, реле срабатывает и ключ $K_1$ размыкается. Через некоторое время, когда сила тока в цепи реле становится равной $\frac{1}{3} \frac{\varepsilon}{R}$, ключ $K_1$ снова замыкается. Определите период срабатывания реле в установившемся режиме работы. Считайте диод $\text{Д}$ идеальным. Внутренним сопротивлением батареи можно пренебречь.
Указание: При необходимости используйте решение дифференциального уравнения $a \frac{dy}{dx}+yb=c$ в виде $y(x)=\frac{c}{b}\left(1-\exp(\frac{-bt}{a})\right)$. (8 баллов)
комментарий/решение

Указание: При необходимости используйте решение дифференциального уравнения $a \frac{dy}{dx}+yb=c$ в виде $y(x)=\frac{c}{b}\left(1-\exp(\frac{-bt}{a})\right)$. (8 баллов)
комментарий/решение