Областная олимпиада по физике 2018, 10 класс, теоретический тур
Задача №1. [7 баллов]. Пуля массой $m=8$ г летит со скоростью $\vartheta_0=200$ м/с и попадает перпендикулярно в доску, лежащую на горизонтальном столе и застревает в ней. Поверхность стола считать гладкой, масса доски $M=20$ кг, длина доски $l$, шириной доски можно пренебречь. Определите энергию, преобразованную в теплоту, считая, что пуля попала в точку, находящуюся на расстоянии $\frac{l}{3}$ от центра доски.
комментарий/решение(1)
комментарий/решение(1)
Задача №2. [8 баллов]. Рабочее вещество совершает термодинамический цикл, состоящий из изобары, изохоры и адиабаты (смотрите рисунок). Внутренняя энергия данного вещества изменяется по закону $U=kpV$, где $p$ — давление, $V$ — объем. Работа, совершенная веществом во время изобарного процесса, в $n=5$ раз превышает работу внешних сил по сжатию вещества, совершенную при адиабатическом процессе. КПД цикла $\eta=\frac14$. Определите значение параметра $k$ в законе изменения внутренней энергии.
комментарий/решение(1)

комментарий/решение(1)
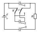
Задача №3. [7 баллов]. В электрической схеме, изображенной на рисунке, ключ $K$ переключают из одного (левого) положения в другое (правое). Какое количество теплоты выделится при этом? Суммарный заряд на правых обкладках конденсаторов $1$, $2$ и $3$ вначале равнялся нулю. Емкости всех конденсаторов равны $C$.
комментарий/решение

комментарий/решение
Задача №4. [8 баллов]. Тонкая палочка небольшой длины расположена вдоль главной оптической оси собирающей линзы на расстоянии $30$ см от нее. В результате получают действительное изображение палочки с увеличением в $16$ раз. Данную короткую палочку сдвигают вдоль оси на $6$ см дальше от линзы. Оцените изменение длины изображения палочки?
Примечания: при $|x|\ll 1$ справедлива формула $\frac{1}{1+x}\thickapprox 1-x$.
комментарий/решение
Примечания: при $|x|\ll 1$ справедлива формула $\frac{1}{1+x}\thickapprox 1-x$.
комментарий/решение