11-я Жаутыковская олимпиада (2015), экспериментальный тур
Сопротивление графита (15 баллов)
Приборы и принадлежности: графитовый стержень, мультиметр, источник тока (батарейка $4,5$ В), постоянные резисторы $1$ Ом и $10$ Ом, переменный резистор (для его регулировки используйте острый край пластиковой линейки), соединительные провода, секундомер, сосуд со снегом. Внимание! Будьте аккуратны, так как графитовый стержень очень хрупкий и легко ломается. Подключайте его к цепи с помощью зажимов типа «крокодил». Электрическое сопротивление графита $R_{g}$ зависит от его температуры. Приближенно можно считать, что эта зависимость линейна $$R_{g}=R_0 (1+\alpha \Delta T),$$ где $\Delta T$ — разность между температурой стержня и комнатной температурой, $R_0$ — сопротивление графитового стержня при комнатной температуре, $\alpha$ — температурный коэффициент сопротивления графита. Комнатная температура будет указана во время проведения тура. Так же можно считать, что мощность теплоты, уходящей от стержня в воздух пропорциональная разности температур стержня и воздуха $$P=\beta \Delta T,$$ где $\beta$ — коэффициент теплоотдачи.
Часть 1. Вольтамперная характеристика графитового стержня.
1.1 С помощью мультиметра (в данном пункте используйте его в режиме измерения сопротивлений) определите, какой из выводов переменного резистора $a$, $b$ или $c$ является скользящим (на схеме обозначен 2).

1.2 Измерьте зависимость силы тока через графитовый стержень, находящийся в воздухе, от напряжения на нем $I(U)$. Используйте мультиметр в режиме измерения напряжений, так как в режиме измерения силы тока мультиметр работает очень нестабильно. Для измерения силы тока используйте постоянный резистор $1$ Ом. Для варьирования силы тока в цепи используйте переменный резистор. Так как при изменении силы тока через стержень требуется некоторое время для установления его температуры, то после изменения значения переменного резистора путем вращения его ручки следует выждать не менее $30-40$ секунд, а после снимать показания.
1.2.1 Приведите электрическую схему, использованную вами для измерений.
1.2.2 Постройте график полученной зависимости $I(U)$. Получите теоретическую формулу, описывающую данную зависимость.
1.2.3 Рассчитайте удельное электрическое сопротивление графита $\rho_0$ при комнатной температуре. Оцените погрешность полученного значения $\Delta\rho_0$. Считайте, что относительные погрешности сопротивлений постоянных резисторов равны $5\%$. Диаметр стержня $d=1,0\pm 0,05$ мм. Для измерения длины можете использовать миллиметровую бумагу.
1.2.4 Покажите теоретически, что в стационарном режиме электрическое сопротивление графита линейно зависит от мощности $P$, выделяющейся на нем при протекании тока $$R_{g}=R_0 (1+\gamma P).\quad (1)$$ 1.2.5 Используя полученные экспериментальные данные, рассчитайте зависимость сопротивление графитового стержня от мощности $R_{g} (P)$. Постройте график этой зависимости.
1.2.6 Укажите диапазон мощностей, в котором выполняется соотношение $(1)$. Рассчитайте значение коэффициента $\gamma$ в этом диапазоне. Оценка погрешности в данном пункте не требуется.
1.3 Измерьте зависимость силы тока через графитовый стержень от напряжения на нем $I(U)$, когда стержень погружен в тающий снег.
1.3.1 Постройте график полученной зависимости.
1.3.2 Рассчитайте температурный коэффициент электрического сопротивления графита $\alpha$. Оцените погрешность измерения этого коэффициента $\Delta \alpha$.
Часть 2. Остывание графитового стержня.

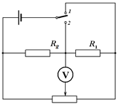
Для измерения малых изменений сопротивления предпочтительнее использовать мостовую схему (см. Рис.). Один из проводов, подключенных к батарейке, может находиться в двух положениях:
$1$ — режим измерений;
$2$ — режим разогрева. Вращая ручку переменного резистора, можно добиться того, чтобы напряжение на вольтметре было равно нулю (или близко к нему), в этом случае мост называется сбалансированным. В качестве резистора $R_1$ возьмите резистор с сопротивлением $10$ Ом. При изменении сопротивления графитового стержня $R_{g}$ напряжение на вольтметре становится отличным от нуля. Можно показать (вам этого делать не требуется), что напряжение на вольтметре в этом случае пропорционально изменению сопротивления графитового стержня.
2.1 Не разогревая стержень, подключите батарейку в режим измерений (положение 1). С помощью ручки переменного резистора добейтесь, чтобы показания мультиметра были близки к нулю (как можно точнее). Переключите контакт батарейки в положение $2$, разогрейте стержень, выждав не менее $1$ минуты. После этого быстро переключите батарейку в положение $1$ и проведите измерения зависимости показаний вольтметра от времени.
2.2 Постройте график полученной зависимости.
2.3 Если стержень подключен к источнику постоянного напряжения, но температура стержня отличается от стационарной $\overline{T},$ то изменение его температуры $T$ со временем $t$ приближенно описывается уравнением $$\frac{dT}{dt}=-\frac{1}{\tau}(T-\overline{T}).$$ Используя полученные экспериментальные данные, проверьте выполнимость этого уравнения. Рассчитайте значение характерного времени установления теплового равновесия $\tau$. Оценка погрешности в данном пункте не требуется.
комментарий/решение