Областная олимпиада по физике 2021, 9 класс, теоретический тур
Задача №1. [7 баллов]. Шар массой $m$, двигающийся поступательно со скоростью $v$ по гладкой горизонтальной поверхности, налетает на покоящийся шар массой $3m$. Известно, что в момент прямо перед столкновением линия, соединяющая центры шаров, составляет с направлением начальной скорости налетающего шара угол $\alpha=60^\circ.$ Найдите модули скоростей $v_1$ и $v_2$ шаров после их абсолютно упругого удара, если трением можно полностью пренебречь.
комментарий/решение(1)

комментарий/решение(1)
Задача №2. [7 баллов]. Орбита некоторого небесного тела солнечной системы является вытянутой настолько, что его максимальное расстояние от Солнца равно радиусу орбиты Урана, а минимальное в точности совпадает с радиусом орбиты Марса. Рассчитайте период $T$ обращения этого тела вокруг Солнца. Период обращения Марса и Урана вокруг Солнца составляют $T_1=1,88$ года и $T_2= 84$ года соответственно. Орбиты планет считайте круговыми.
комментарий/решение
комментарий/решение
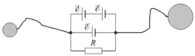
Задача №3. [8 баллов]. Три идентичные батареи с Э.Д.С. $\varepsilon$ соединены друг с другом, как указано на схеме, и нагружены сопротивлением $R$. Внутреннее сопротивление батарей намного меньше $R$. Какой ток протекает через сопротивление нагрузки? Какие заряды появятся на проводящих шарах радиусами $a$ (слева) и $b$ (справа), если их соединить проводами с указанными на рисунке точками цепи? Расстояние между шарами значительно больше их радиусов.
комментарий/решение


комментарий/решение
Задача №4. [8 баллов]. Трубка массой $M = 80$ г, длина которой равна $l = 1$ м, а поперечное сечение составляет $S = 0,3$ см$^2$, имеет загнутый под прямым углом конец. Другой конец трубки с помощью резинового патрубка соединен с водопроводным краном. Найдите скорость истечения воды $v$ плотностью $\rho = 1000$ кг/м$^3$ из трубки, если известен ее угол отклонения от вертикали $\alpha = 20^\circ$. Считайте, что резиновый патрубок имеет пренебрежимо малую упругость. Ускорение свободного падения равно $g = 9,8$ м/с$^2.$
комментарий/решение

комментарий/решение